GUINCHO ELÉCTRICO 5000KG/3MT GAYNER
REF: GAYNER-PECP-5,0/3MT-CR• Código: 78-141/58
• Referência: PECP-5,0/3MT-CR
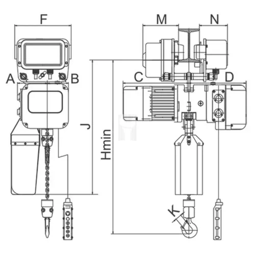
• Largura da viga: mín. 102 mm / máx. 152 mm
• Altura de elevação: 3,0 m
• Potência do motor: 3,0 kW
• Potência da translação: 0,4 kW
• Número de ramais: 2
• Dimensão da corrente: 11,2 x 34 mm
• Medidas (mm): A: 240, B: 110, C: 358, D: 336, F: 334, H: mín. 880, J: 850, K: 61, M: 190, N: 143
• Alimentação: 380V / 50Hz
• Carga máxima: 5.000 kg
• Peso total: 201 kg
• Classe de protecção: IP55
- Descrição
- Solicitar Contacto
- Informação adicional
- Avaliações (0)
Descrição
GUINCHO ELÉCTRICO 5000KG/3MT GAYNER
Guincho eléctrico de corrente com carro de translação eléctrica.
Classificado segundo as normas FEM/DIN 15020 nas categorias M4 e M5, adequado para uso profissional.
Fabricado com tecnologia de ponta, com um design compacto e componentes altamente resistentes ao desgaste, garantindo segurança e fiabilidade.
Corrente de carga carbonizada para maior durabilidade e resistência à abrasão.
Equipado com um sistema eléctrico de controlo modular de última geração, de alta qualidade e protecção avançada.
Grau de protecção IP55.
Os modelos PECP-0,25 e PECP-0,5 dispõem de duas velocidades de elevação.
Aplicação:
- Elevação de cargas industriais pesadas
- Ideal para ambientes industriais com exigência profissional
Vantagens do produto:
- Design compacto e resistente
- Alta fiabilidade e durabilidade
- Corrente endurecida com elevada resistência
- Protecção IP55
- Sistema eléctrico modular de fácil manutenção
Informação adicional
| Peso | 201 kg |
|---|---|
| Elevação Máxima | |
| Capacidade Carga Máxima (Equip. Elev.) |
Apenas clientes com sessão iniciada que compraram este produto podem deixar opinião.
* Exceto produtos da marca Toolhub ou com dimensões disformes, devidamente identificados. 🚚










Avaliações
Ainda não existem avaliações.